
Language

Product Brief Description
This pushbutton switch with a “reduced 2P pin configuration” achieves triple optimization in cost, production, and design while retaining core switching functionality, making it more suitable for mainstream single-circuit on/off applications.
ODM/OEM Service
Source Factory
Stable Daily Output
High Quality
Multiple Payment Methods
Pre/After Service
Comparison of 4P Push Button Switch and 6P Push Button Switch

6-Pin Version:
•Signal Group 1: Pin1 (COM), Pin2 (NC), Pin3 (NO)
•Signal Group 2: Pin4 (COM), Pin5 (NC), Pin6 (NO)
•(In some models, Pin2/Pin5 are mechanical mounting pins with no electrical connection)
4-Pin Version:
•Retained: Pin1 (COM), Pin3 (NO), Pin4 (COM), Pin6 (NO)
•Removed: Pin2 (NC/mounting pin), Pin5 (NC/mounting pin)
•Actual electrical connection: Only one set of SPST (Pin1-Pin3 or Pin4-Pin6)
The reason this pushbutton switch was simplified from a 6-pin (DPDT) to a 4-pin (SPST) configuration
1. Functional ReductionMost scenarios only require single-pole single-throw (SPST) switching. The additional set of contacts on the 6-pin version is redundant and can be removed without affecting core functionality.
2. Cost and Efficiency Optimization: Reducing pins lowers mold and material costs, simplifies SMT placement processes, and enables more compact PCB layouts to save manufacturing expenses.
3. Mechanical AdaptationThe eliminated pins are typically non-functional fixed pins. In applications with low mechanical strength requirements, they can be removed without compromising electrical performance.
4. Industry Compatibility: The 4-pin configuration is a universal standard, facilitating direct replacement without requiring PCB redesign.
5.8*5.8mm Push Button Switch's Dispaly

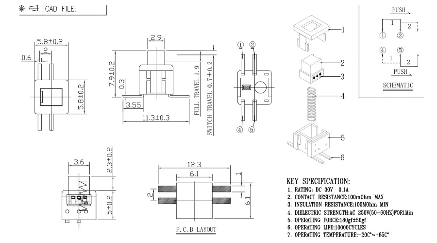
| Rating | DC30V 0.1A |
| Contact resistance | 100mOhm Max |
| Insulation Resistance | 100MOhm MIN |
| Dielectric strength | AC 250V(50-60HZ)FORIMin |
| Operating Force | 180gf±50gf |
| Operation Life | 10000CYCLES |
| Operating Temperature | -20C°~+85C° |

1. Q : Do you customize material of switch as buy's requirement ?
A : Yes, we do. we customize different colors, materials, shapes etc. Please provide us your spec sheet and requirement
2.Q : Could I get a sample to test ?
A: Sure, we provide you free sample, but shipping cost should be paid by buyer
3. Q : How quick could you deliver a order ?
A: For custom order, it takes about 15 days normally. It depends on quantities of your order.
Previous: 2p2t Push Button Switch
Next: SMD Push Button Switch

Tel:
Add:
Rixing Industrial Zone,Tangxia Town, Dongguan City, Guangdong Province, China
Copyright © 2026 KKG ELECTRONICS ELECTRIC C0., LTD. All rights reserved
Privacy policy Cookie tracking






