


Product Brief Description
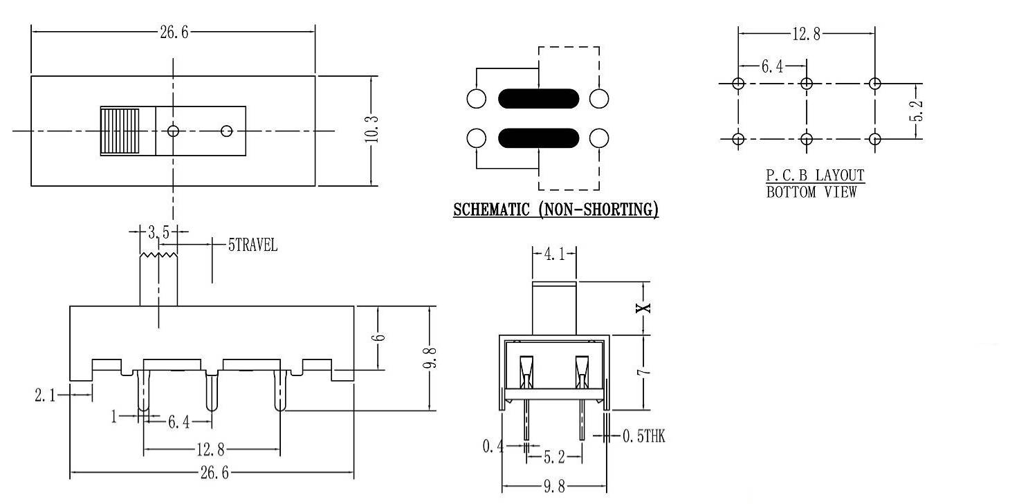
The KKG SS23J02 is a robust, Double Pole, Double Throw (DPDT)
ODM/OEM Service
Source Factory
Stable Daily Output
High Quality
Multiple Payment Methods
Pre/After Service
| Rating | 0.3A, 50V DC |
|---|---|
| Travel | 5.0mm |
The KKG SS23J02 is a versatile and heavy-duty
Through-Hole Mounting: The switch's pins are inserted through holes in a PCB and soldered on the reverse side, providing a very strong mechanical and electrical bond that withstands physical stress.
Stereo Signal Switching: Allows for the simultaneous switching of both Left and Right audio channels between two different sources or effects loops in audio equipment.


Guitar Effects Pedals: Used as a mode switch in popular guitar pedals like the
KKG Electronics uses temperature-resistant materials and high-temperature testing equipment.
The product's appearance does not change when tested at 260°C for 5 minutes!

We ensure high production efficiency and ship your order within 7 days after payment.
Q1: Are you a direct manufacturer or a trading company?
A: KKG Electronics is a direct manufacturer with over 15 years of specialized expertise. We design and produce high-quality electronic components, including tact switches, micro switches, USB connectors, audio jacks, and more, directly from our own factory.
Q2: How can I request a sample or get a price quotation?
A: For an accurate quotation and the right samples, please provide us with details about your project. Key information includes technical specifications, intended application, and required functions. For the fastest service, providing artwork or a drawing (AI format is ideal) is highly recommended. We are happy to offer free samples for your evaluation.
Q3: How do you guarantee product quality and reliability?
A: Quality is our highest priority. Every component we manufacture undergoes a rigorous 100% electrical and mechanical testing process before shipment. This ensures that all our products meet the highest standards for performance, durability, and reliability.
Q4: What files are required for a PCB or PCBA quotation?
A: To provide an accurate quote, please supply the following:
For PCB Quotation: Gerber data/files along with any related technical requirements or special instructions.
For PCBA Quotation: Gerber data/files, a detailed Bill of Materials (BOM), and any testing procedures if functional testing is required.
Q5: How are the electronic components packaged for shipping?
A: We ensure our products are protected during transit. Components are packaged securely in anti-static bags or tape-and-reel formats, then cushioned with air bubble film inside a sturdy inner box and a durable outer shipping carton.

Tel:
Add:
Rixing Industrial Zone,Tangxia Town, Dongguan City, Guangdong Province, China
Copyright © 2025 KKG ELECTRONICS ELECTRIC Co., LTD. All rights reserved
Privacy policy Cookie tracking