
Language

Product Brief Description
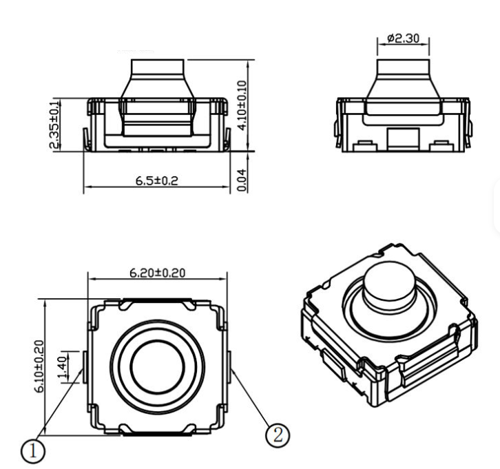
This waterproof tactile switch, measuring 6.1 × 6.2 mm, is specifically designed for automotive environments.
ODM/OEM Service
Source Factory
Stable Daily Output
High Quality
Multiple Payment Methods
Pre/After Service
Product Structure of Automotive Waterproof Switches
1. Green Silicone/Rubber Button Cap: Serves as both the press-operated component and the primary waterproof/dustproof barrier. Its specialized sealing structure prevents liquid and dust ingress.
2. Metal Housing: Constructed from stainless steel or nickel-plated alloy, providing robust mechanical protection and precise positioning to ensure button stability during repeated presses.
3. Conductive Spring Contact (Metal Contact): Typically gold-plated or stainless steel, it remains open when not pressed. When the button is depressed, the spring deforms, bringing the two contacts together to complete the circuit.
4. Base: Made from high-temperature resistant, high-insulation engineering plastics (e.g., LCP, PBT), it secures the contacts and spring while providing electrical isolation from the metal housing.
Bottom Connection Unit
5. Pins / Terminals: Designed for direct soldering to the PCB board, enabling connection between the switch and external circuits.
6. Bottom Sealing Structure: Coordinates with the housing design to form a complete IP67 waterproof system with the button cap, ensuring internal circuits remain unaffected under high-pressure water jets or immersion.
How Automotive Switches Work
Initial State: The switch is normally open. The internal conductive spring leaf maintains its natural shape, keeping the two contacts separated and the circuit disconnected.
Pressure Activation: When pressure is applied to the button cap by a finger or control mechanism, the force transmits through the cap to the internal conductive spring leaf, causing it to bend downward.
Circuit Closure: As the spring leaf bends, its contact touches the fixed contact below, closing the circuit and generating an electrical signal output.
Reset Disconnection: Upon pressure release, the spring-loaded contact plate returns to its initial position via its inherent elasticity. The contacts separate, breaking the circuit again and awaiting the next trigger.
IP67 Waterproofing Principle of Waterproof Tactile Switches
Multi-Seal Design: An interference fit or O-ring seal is used between the button cap and housing, while a sealing gasket exists between the housing and base, forming multiple waterproof barriers.
Isolated Structure: Internal conductive contacts and springs are fully sealed within a cavity formed by the insulating base and housing, preventing external water and dust from reaching core electrical components.
Anti-Siphon Design: The housing edges and openings feature specialized structural optimization to prevent water from entering the switch via capillary action, even in water-logged environments.


Tel:
Add:
Rixing Industrial Zone,Tangxia Town, Dongguan City, Guangdong Province, China
Copyright © 2026 KKG ELECTRONICS ELECTRIC C0., LTD. All rights reserved
Privacy policy Cookie tracking






